Well Template Designer
The Well Template Designer window is used to create new log templates for use in applications like the Cross Section Viewer, as well as copy, rename, and delete existing templates.
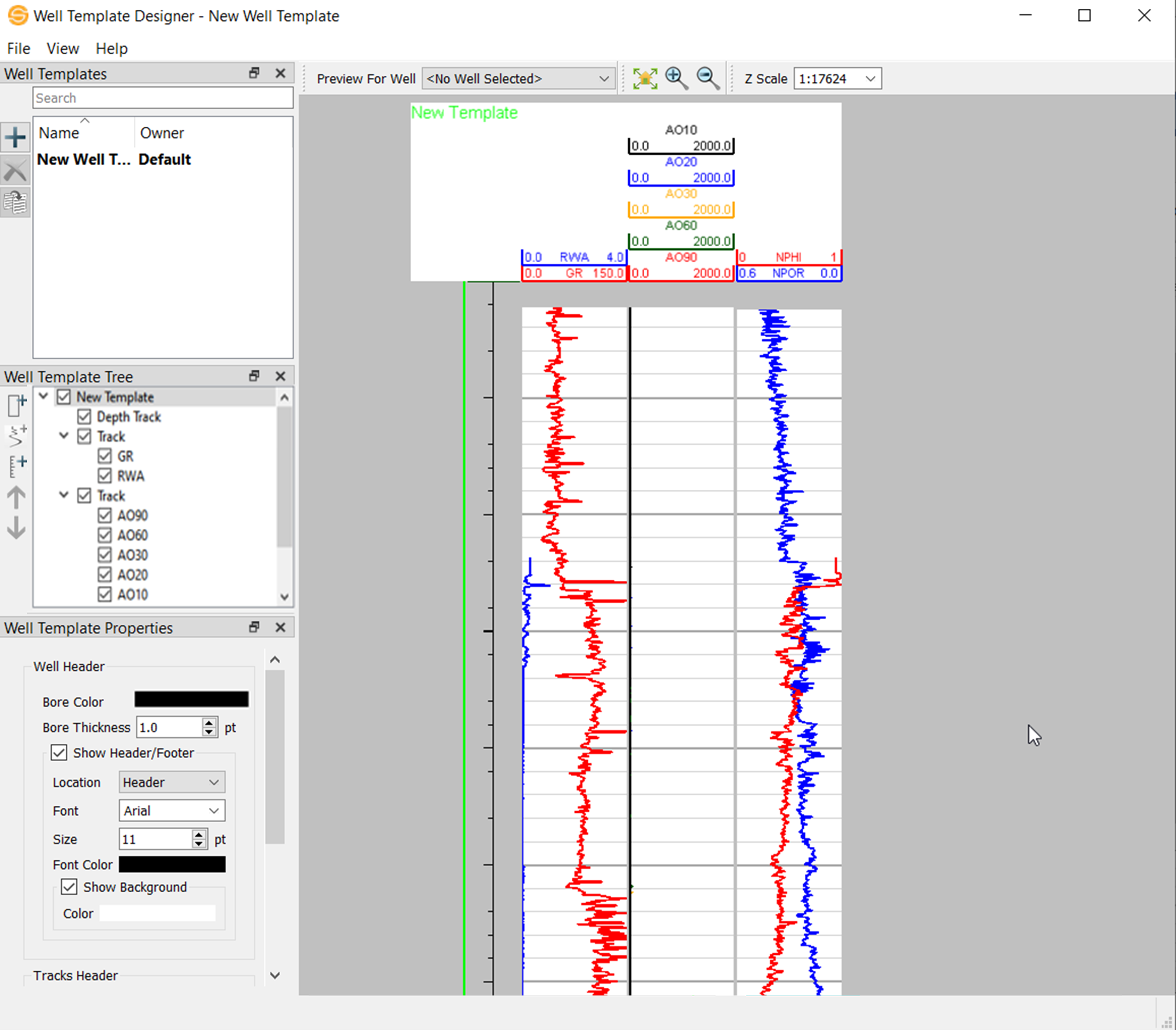
To create a template, from the Well Templates dialog box Use the "+" to add a new template. Then from the Well Template Tree dialog box you can use any of the icons to add a track, a log curve to a track, add a depth track or reorder the tracks that are being displayed
Once a track is added with a log curve, you can customize the settings for that log by going to the Well Template Properties dialog box that has the display settings for the curves in that track.
After you create a template you can return to the Cross Section Viewer and load this template to be used in the display.
The Well Template Designer window has menus, toolbars, and dialog boxes to help you create and customize your template.
| Pan | Left click and drag the view to pan to a new area. |
| Zoom | Hold CTRL and scroll the mouse wheel up to zoom in; scroll down to zoom out. |
To edit a template first select the template in the Well Templates dialog box. Then either select an existing object in the Well Template Tree dialog box or add an object by using one of the icons. For any object selected the available display settings will show up in the Well Template Propertiesdialog box allowing you to edit it.
— MORE INFORMATION
|
Copyright © 2020 | SeisWare International Inc. | All rights reserved |